变压器故障MATLAB/simulink仿真:差动保护与故障判别的探索
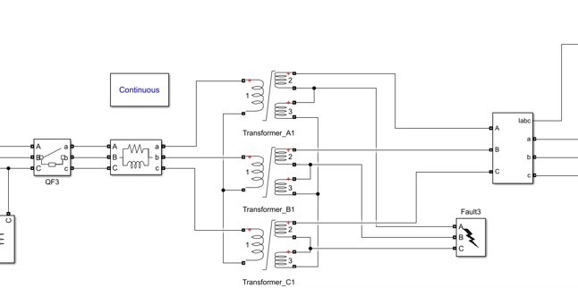
变压器故障MATLAB/simulink仿真 变压器仿真变压器内部相间故障,匝间短路,外部故障,励磁涌流,差动保护与故障之间的判别区分可附相关文档分析在电力系统中,变压器作为关键设备,其可靠运行至关重要。当变压器出现内部相间故障、匝间短路、外部故障以及励磁涌流等问题时,准确判别故障类型并及时采取保护措施是保障电力系统稳定运行的关键。MATLAB/simulink为我们提供了一个强大的平台来对这些情
变压器故障MATLAB/simulink仿真 变压器仿真 变压器内部相间故障,匝间短路,外部故障,励磁涌流,差动保护与故障之间的判别区分 可附相关文档分析
在电力系统中,变压器作为关键设备,其可靠运行至关重要。当变压器出现内部相间故障、匝间短路、外部故障以及励磁涌流等问题时,准确判别故障类型并及时采取保护措施是保障电力系统稳定运行的关键。MATLAB/simulink为我们提供了一个强大的平台来对这些情况进行仿真研究。
内部相间故障仿真
内部相间故障是指变压器不同相绕组之间发生的短路故障。在Simulink中,我们可以构建一个简单的变压器模型,例如使用SimPowerSystems库中的三相变压器模块。
% 以下是一些可能涉及到的参数设置示例
% 变压器额定容量
Sbase = 100e3;
% 一次侧额定电压
V1base = 110e3;
% 二次侧额定电压
V2base = 10e3;
% 变压器连接组别
connection = 'Yd11';
% 创建三相变压器模块并设置参数
transformer = powerlib.ThreePhaseTransformer('Sbase', Sbase, 'V1base', V1base, 'V2base', V2base, 'Connection', connection);
为了模拟相间故障,我们可以在变压器的输出端添加一个三相短路模块,通过设置短路电阻和电抗来控制故障的严重程度。
% 短路电阻
R_fault = 0.01;
% 短路电抗
X_fault = 0.05;
% 创建三相短路模块并连接到变压器输出端
fault = powerlib.ThreePhaseFault('R', R_fault, 'X', X_fault);
在仿真过程中,我们可以观察变压器各侧的电流、电压波形。当相间故障发生时,故障相的电流会急剧增大,电压则会大幅下降。通过分析这些电气量的变化,我们可以为故障判别提供依据。
匝间短路仿真
匝间短路是变压器绕组内部部分匝数之间的短路。在Simulink中模拟匝间短路相对复杂一些,我们可以通过修改变压器绕组的参数来近似模拟。
% 假设变压器绕组总匝数为N
N = 1000;
% 发生匝间短路的匝数为n
n = 50;
% 通过改变变压器模型中与绕组匝数相关的参数来模拟匝间短路
% 这里假设变压器模型有相关的匝数比参数可调整
transformer.TurnsRatio = (N - n) / N;
匝间短路时,变压器的励磁电流会发生变化,同时绕组的电阻和电抗也会有所改变。我们可以通过监测这些参数的变化来识别匝间短路故障。从电流波形上看,可能会出现一些特征性的谐波成分,这对于故障判别也是重要的线索。
外部故障仿真
外部故障指的是变压器外部线路上发生的故障。在Simulink中,我们可以在变压器的输电线路上添加故障模块来模拟。
% 在输电线路上添加三相短路故障模块模拟外部故障
line_fault = powerlib.ThreePhaseFault('R', R_fault, 'X', X_fault);
% 将故障模块连接到输电线路合适位置
外部故障时,变压器的电流也会增大,但与内部故障相比,其电流变化的特征有所不同。例如,外部故障时,变压器的差动电流可能不会像内部故障那样显著增大,这为差动保护判别内外部故障提供了依据。
励磁涌流仿真
励磁涌流是变压器在空载合闸或外部故障切除后电压恢复时产生的暂态电流。在Simulink中,我们可以通过控制变压器的合闸时间来模拟励磁涌流。
% 设置变压器的合闸时间
closing_time = 0.05;
% 在变压器模块中设置合闸时间参数
transformer.ClosingTime = closing_time;
励磁涌流的波形具有明显的特征,其峰值较大,并且含有丰富的二次谐波成分。利用这一特性,我们可以在差动保护中加入二次谐波制动环节,以防止在励磁涌流情况下差动保护误动作。
差动保护与故障之间的判别区分
差动保护是变压器保护中常用的一种保护方式。其基本原理是比较变压器各侧电流的大小和相位,当差动电流超过一定阈值时,判定变压器发生故障并动作。
% 以下是一个简单的差动保护逻辑示例
% 假设已经获取到变压器两侧的电流I1和I2
I1 = get_current_from_side1();
I2 = get_current_from_side2();
% 计算差动电流
Id = abs(I1 - I2);
% 设置差动保护动作阈值
threshold = 100;
if Id > threshold
disp('差动保护动作,变压器可能发生故障');
else
disp('差动保护未动作');
end
在实际应用中,要准确判别故障类型,除了依据差动电流外,还需要结合故障时电气量的其他特征。例如,对于内部相间故障和匝间短路,电流增大的同时可能伴有电压的明显变化;而励磁涌流含有大量二次谐波,外部故障时的电流变化特征又与内部故障有所不同。通过综合分析这些特征,我们能够更准确地判别故障类型,使差动保护更加可靠地动作。

变压器故障MATLAB/simulink仿真 变压器仿真 变压器内部相间故障,匝间短路,外部故障,励磁涌流,差动保护与故障之间的判别区分 可附相关文档分析
总之,通过MATLAB/simulink对变压器的各种故障和励磁涌流进行仿真,我们可以深入了解它们的电气特性,为实际电力系统中变压器的保护和故障诊断提供有力的支持。希望以上内容能为对变压器故障仿真感兴趣的朋友提供一些参考和启发。

以上代码仅为示例,实际仿真中需根据具体的Simulink模型和需求进行详细的参数设置与逻辑编写。同时,还可以进一步结合相关文档,如电力系统分析、变压器保护原理等资料,更深入地理解和优化仿真过程与故障判别方法。
更多推荐



所有评论(0)