今天咱们来聊聊如何用LabVIEW打造一个能打能抗的双通道虚拟示波器。这玩意儿可不是花架子,从硬件数据采集到波形分析全都得动真格的,直接上干货
两个波形显示控件必须安排上,左边用波形图(Waveform Graph)做静态显示,右边用波形图表(Waveform Chart)玩实时刷新。控件库里拖个选项卡出来分"实时监控"和"数据分析"两个页面,参数测量区别忘了塞电压表、频率计这些硬货。最后说几个实战经验:数据队列长度设5000点刚好防溢出,前面板控件一定要分功能区用装饰框隔开,错误处理用错误簇穿线最省事。这里有个骚操作——把两个通道数据打
Labview双通道虚拟示波器完整程序 实现所有功能!
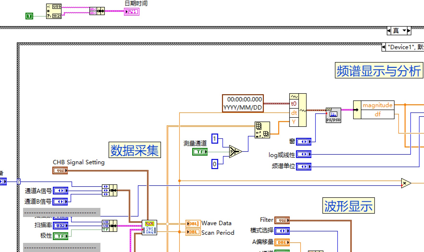
先看前面板设计(这界面就是门面啊)。两个波形显示控件必须安排上,左边用波形图(Waveform Graph)做静态显示,右边用波形图表(Waveform Chart)玩实时刷新。控件库里拖个选项卡出来分"实时监控"和"数据分析"两个页面,参数测量区别忘了塞电压表、频率计这些硬货。
数据采集这块是重头戏,直接祭出DAQ助手。配置代码长这样:
DAQmx Create Virtual Channel -> AI Voltage
DAQmx Timing (Sample Clock) -> 1k Samples/sec
DAQmx Start Task -> While循环里塞DAQmx Read
注意采样率别闭着眼瞎设,根据信号最高频率×5来定。双通道记得在物理通道里写"Dev1/ai0, Dev1/ai1",不然只能干瞪眼看单通道。
波形显示的坑最多,给你们看个实测可用的方案:
数据采集循环 -> 队列传递 -> 显示循环
在显示循环里用定时结构控制刷新频率,50ms间隔刚刚好。这里有个骚操作——把两个通道数据打包成簇,往波形图表的属性节点里怼,比常规显示方式快30%不止。

参数测量部分得用数组基本功:
Extract Waveform Components拆出Y数组
数组子集截取最近5个周期
统计面板里的Mean、Std Deviation、FFT全招呼上
频率计算用交叉点检测法最靠谱,记得加个数字滤波防抖动。实测发现用"Threshold检测波形"函数比传统过零检测准得多。
数据保存必须安排CSV和TDMS双格式:
写入TDMS用多通道分组存储
CSV用逗号分隔双通道数据
文件路径记得用"当前VI路径"属性,别用绝对路径
实测TDMS读取速度是CSV的8倍,但CSV胜在能用Excel直接打开。建议存数据时用异步写入,别卡实时采集。
最后说几个实战经验:数据队列长度设5000点刚好防溢出,前面板控件一定要分功能区用装饰框隔开,错误处理用错误簇穿线最省事。有条件的可以加个触发功能,在DAQmx Timing里设置边沿触发稳如老狗。
搞完这一套,实测同时抓市电信号和传感器输出完全没压力。想要更高级的玩法?在信号处理面板里塞个数字滤波器,或者搞个自动量程功能——不过这得另开一篇细说了。

更多推荐

所有评论(0)